智能高频开关电源直流屏------为您量身定做
GZDWGK系列智能高频开关直流电源屏
是集我司多年电力设备网上运行经验,针对电力系统设备未来发展方向而设计的新一代电力操作电源,代表了该系统未来的发展方向,广泛适用于发电厂、水电站、各类变电站、开闭所和用户变
湖南逸华电源专注直流电源20年,尤其对水电站直流屏具有很深技术沉淀,曾经走过很多弯路,犯过很多错:为一些水电站提供直流屏也老坏,不断地试错,终于找到水电站问题根源:
第1. 交流输入电压极高,特别是在讯期。
第2. 水电站设备常被雷击。
第3. 很多水电站地处偏远,设备已运行很久了,设备陈旧,合闸电流极高。
第4 ...........
选择逸华电源生产的“水电专用智能高频开关电源直流屏
水电站用户之所以选择逸华电源生产的“水电专用智能高频开关电源直流屏(简称:水电站专用智能直流屏)”
WHY?
是因为我逸华电源能帮助水电站用户解决以下几个问题:
A、湖南逸华电源yhpower专注直流屏20载,因为长期专注,所以专业;因为专业,所有简单。
B、直流屏内设立多重防雷措施,尽量降低直流屏内元器件不被雷击。
注:防雷是系统工程,直流屏内元器件是否完全不被雷击,还跟水电站整体电站防雷体系布局、设置有关。
C、直流屏独特防雷布局生产工艺,降低直流屏内元器件不被雷击。
注:有某些厂家买了很牛叉的防雷品牌,结果直流屏内元器件仍然被雷击,什么原因?因为他们不懂直流屏防雷元器件电气布局与设计、生产工艺,以为有好品牌的防雷产品就可以解决一切,错!错!错!不信,你试试!
D、我逸华电源公司智能高频开电源模块采用当今最前沿三电平技术,解决了水电站交流输入电压极高,交流输入电压不稳定带来给充电模块冲击与损坏的难题!
注:详见我逸华电源yhpower三电平智能充电模块产品介绍
E、针对设备陈旧,合闸电流极高的水电站用户,我们避开了高频开关电源充电模块电流小的魔咒,可实现:四两拨千斤 功效,详见:点击桃源县黄石水电站直流屏项目
F、咱们智能水电站专用充电模块可实现输出短路保护,即外界发生短路了,但咱们的充电模块却不会烧坏。
G、为了确保后台不停电,时时监控水电站二次控制设备,都会建议用户配1台逆变电源,逆变电源比UPS电源好处是:不用另外配一批蓄电池,充分利用直流屏上大容量蓄电池。
H、 我司直流屏采用触摸屏大液晶屏监控器,具有RS485或232后台通讯功能,可以实行远程“四遥”功能。

*高频开关电源柜现场安装
根据系统容量我公司常做规格有
40AH 、65AH 、100AH、 120AH、 150AH 、200AH、300AH、500AH 、1000AH 、1500AH等;YHGZDW系列直流屏根据电压等级可分为:220DC、 110DC、 48DC等;
GXDW-GK-YH系列直流屏分三大类:
◆小型一体化屏系统:1面屏(一体化设计,集充电、馈电、电池一体)
◆标准一体化屏系统:2面屏(一体化设计,充馈电1面屏、电池1面屏)
◆分屏系统:3面(或以上)屏(分屏设计,充电屏、馈电屏灵活配置,易扩容)
屏柜尺寸(高×宽×深):2260×800×600mm,可定做其他规格
系统构件:
◆交流进线单元 | ◆双电源自动(手动)切换单元 | ◆三相(单相)防雷单元 |
◆中央监控单元 | ◆母线降压单元 | ◆高频整流模块单元 |
◆馈线回路单元 | ◆绝缘监测单元 | ◆闪光回路单元 |
◆蓄电池组单元 | ◆蓄电池监测单元 | ◆蓄电池放电仪单元 |
◆通信电源单元 | ◆直流变换器单元 | ◆逆变电源单元 |
系统特点:
◆采用单路或双路交流宽带电压输入(30V~456V),可自动切换
◆采用开关电源特有的可并联/模块化设计N+1热备份,可靠性高:
◆采用智能高频开关整流技术,对电池实现智能充电管理
◆高精度动态均流,可自主、主控或受控运行
◆充电模块可带电插拔,安装维护方便:
◆液晶汉显或触摸屏汉显,界面友好丰富,声光告警:
◆电源效率大于91%,功率因数大于0.99,无电网谐波污染
◆可通过监控器进行系统各部分的参数设置
◆可靠的防雷/接地及电气绝缘防护措施
◆多种通信规约,实现远程监控,无人值守技术参数项目
技术参数:
项目 | 技术指标 | 项目 | 技术指标 |
交流输入 | 380V(220V)±15%;50Hz±10% | 稳流精度 | ≤0.2% |
输出电压 | 220V(或110V)±20% | 稳压精度 | ≤0.2% |
额定输出电流 | 5-400A | 动态响应 | 150u |
系统效率 | 91% | 纹波系数 | ≤0.1% |
功率因数 | 0.99 | 并机不均流 | ≤3% |
抗 雷 击 | 8/20μS40KA | 绝缘强度 | 1500VAC50Hz |
噪音 | ≤60db | 内部散热温升 | ≤30℃ |
保护功能 | 过压、过流、过热、缺相、交流失电、输出短路保护、声光报警等多种保护 | ||

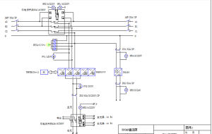
*300AH直流屏电气原理图

*1.6米高直流屏,2.2米高直流屏


